E2227, õhuniiskuse mõõtemuundur, sobib Inner Range analoogmooduliga IR-996560PCB


Artikkel:
10/8/15
Laoseis:
Laos vaba 1

Hind käibemaksuga: 346,69 €

tk
Lisa lemmikutesse
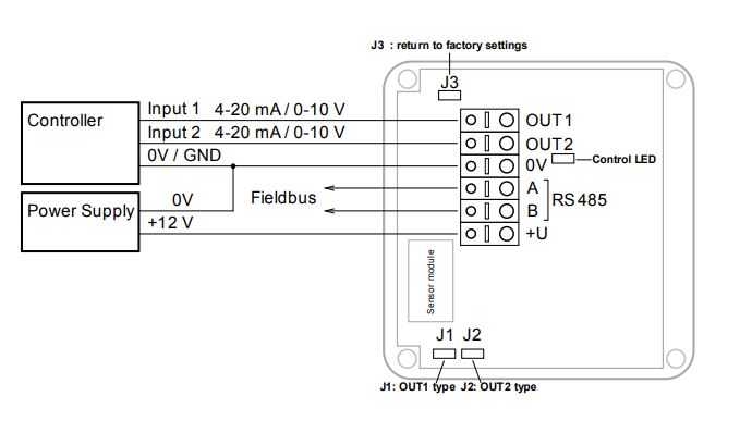
4-20 mA / 0-10 V vabalt valitav
Digitaalne kombineeritud sensor
Suurepärane korratavus ja mõõtestabiilsus
Täielikult kalibreeritud ja termokompenseeritud
RS485 digitaalliides Modbus RTU protokolliga

Mõõtevahemik: 0...95 %RH, -20...+70 °C
Analoogväljundid: 2 × 4-20 mA / 0-10 V vabalt valitav
Väljundskaala: vabalt konfigureeritav
Töötemperatuur: -20...+70 °C, 0...95 %RH
Resolutsioon: 0,1 %RH / 0,1 °C
Mõõtehälve: ±2,5 %RH / ±0.5 °C; ±1,8 % RH / ±0,3 °C soovi korral
Korpus: valge plastik 71×71×27 mm, IP20
Toide: 11...30 VDC, nominaalne 12 / 24 VDC
captcha